电话:18233792093
德标 F5 软密封闸阀是一种符合德国 DIN 标准的阀门,在给排水、化工等应用广泛。以下是其详细介绍:
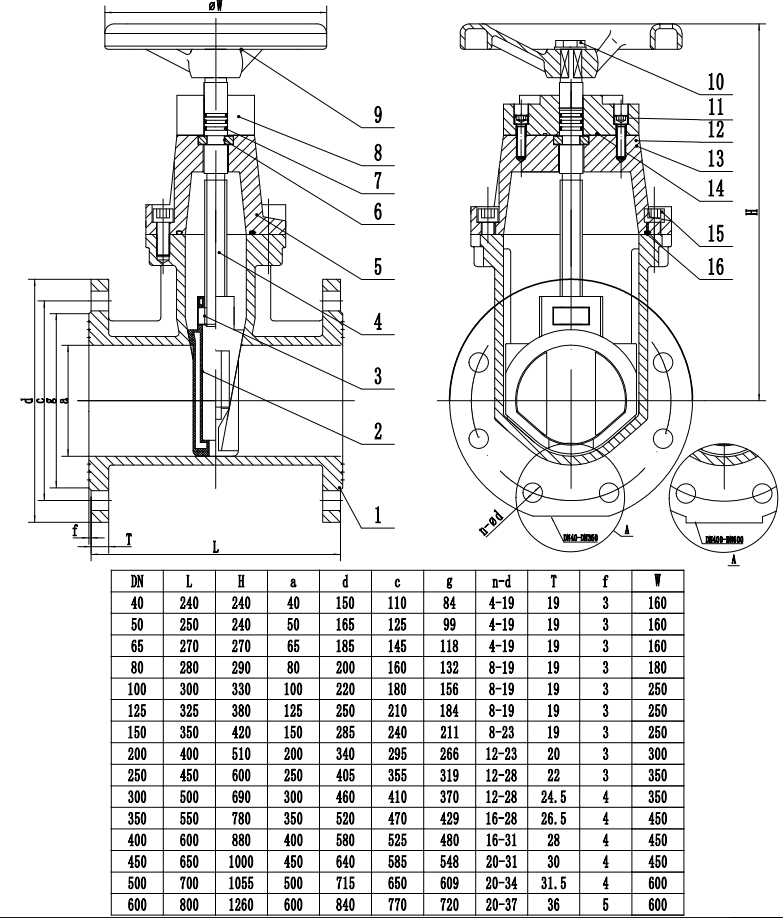
结构设计
整体结构:通常采用暗杆设计,结构紧凑,阀杆螺母与闸板为两体结构,无卡阻现象。闸阀底部为平底设计,不易造成杂物淤积,使流体通畅无阻。
密封设计:阀板由 EPDM 橡胶整体包覆,橡胶与球墨铸铁闸板连接牢靠,弹性记忆佳,密封性能稳定。阀杆采用三道 “O” 型环密封圈设计,使阀杆转动无阻,避免介质外漏,且可以不停水施工更换密封圈。
连接方式:一般采用法兰连接,连接法兰符合 DIN2501/EN1092-2 标准,便于安装和维护。
材料选用
阀体:采用球墨铸铁 QT500-7 进行铸造,球化率高,拉力强,韧性佳,不易拉裂、冻裂。
阀杆:常用 2Cr13 材料,也有 SS316、SS316L 等不锈钢材质可选,具有良好的蚀性。
阀杆螺母:采用黄铜材料,开关更顺畅,可避免操作过程中出现卡阻现象。
性能参数
公称直径:常见规格为 DN40-DN1200,可满足不同管径的需求。
压力等级:压力等级有 PN10、PN16、PN25 等。
工作温度:根据密封橡胶材质的不同有所差异,丁腈橡胶(NBR)密封的阀门工作温度≤80℃,三元乙丙橡胶(EPDM)密封的阀门工作温度≤120℃。
适用介质:主要用于水、污水等流体介质,也可根据材质和密封性能适用于食品、化工等行业的一些介质。
特点与优势
密封性能好:利用阀体整体包胶和橡胶阀板的变形补偿作用,能防止泄漏。
蚀:阀体内外采用环氧树脂静电涂装,可防止腐蚀与生锈,适用于污水等腐蚀性介质。
使用寿命长:球墨铸铁阀体和的密封、传动部件,使其具有良好的和抗压力波动能力,使用寿命长。
